YUKEN油研PV2R1-19-F-RAA-41葉片油泵PV2R2-33/47/53/65/75 PV2R3
液壓系統泄壓的方法
在大功率的液壓機、折彎機、矯直機等的液壓系統中,一般都需要設置泄壓回路,由于它們的工作壓力都很高,當主油缸上腔通入壓力油并進行壓制、拉伸或折彎時,高壓油具有很大的能量,除了推動油缸活塞下行完成工作外,還會使油缸機架、工作油缸本身、液壓元件、管道和接頭等處產生不同程度的彈性變形,積蓄大量能量。當壓制完畢或保壓之后,油缸上行時,缸上腔通回油,則上腔積蓄著的油液壓縮能和機架等部分積蓄的彈性變形能突然釋放出來,而機架系統也迅速回彈,會瞬時產生強烈的振動(抖動)和巨大的聲響;在此行降壓過程中,油缸內過飽和溶解的氣體的析出和破裂更加劇了這一作用,對設備的正常運行極為不利,并且使系統強烈抖動和發出很大的槍炮聲狀的噪聲,這就是所謂的“炮鳴”現象。
產生這種現象的原因是在高壓大流量液壓系統設計中,對能量釋放認識不足,未做處理或處理不當而產生的,即在設計上未采取有效而合理的卸壓措施所致。“炮鳴”的危害是非常嚴重的,主要表現在以下幾點。
①在立式油缸上升(返回)空行程產生強烈的振動和巨大的聲響。
②振動導致連接螺紋松動,致使設備嚴重漏油。
③振動導致液壓元件和管件破裂,壓力表震壞。
④系統有可能無法繼續工作,甚至造成人身安全設備事故。
消除“炮鳴”現象的關鍵在于先使油缸有控制地卸壓,即能量慢慢釋放,卸壓后再換向(做返回行程)。泄壓的具體方法有如下幾種,下面給大家介紹一下。
1、采用小型電磁閥泄壓(見圖1)

油缸下行時,小型電磁閥1不通電,當主缸完成擠壓以后,在三位四通電磁閥2開始換向之前,借助一時間繼電器使閥1先接通約2~3s,當油缸上腔壓力降至接近于預定值或零時,再接通電池閥2換向。由于幾乎在沒有壓力的情況下進行換向,使油缸上行,從而消除了“炮鳴”。
2、采用卸荷閥控制卸壓(見圖2)
油缸下行壓制工件時,2YA通電。當換向閥1處于中位時,液壓機為壓制后的保壓過程,主缸上腔的高壓油使液控順序閥2呈開啟狀態。保壓結束后由時間繼電器發訊,1YA通電,閥1切換到右工作位,壓力油經閥2回到油箱。閥2的閥前壓力使液控單向閥3中的泄壓閥閥芯開啟,泄壓油流經阻尼孔回到充液油箱,待主缸上腔壓力逐漸降壓至閥2調定的活塞回程壓力之后,閥2關閉。同時,其閥前壓力將閥3的主閥打開;壓力油進入主缸下腔。上腔的大量回油經閥3回充液油箱,活塞得以回程。

3、采用專用節流閥卸壓(見圖3)
主缸下腔為擠壓腔(工作腔)。當2YA通電,壓力油經三位四通電液換向閥1、液控單向閥2進入主缸下腔進行擠壓,擠壓力上升到要求的噸位后,電接點壓力表3發信號,2YA斷電,進行保壓。泄壓時,由操作者慢慢擰開專用節流閥4,將高壓油逐漸放回油箱;當觀察壓力表5所示壓力值降至3~5MPa時,再使1YA通電,大量的低壓油經閥2、閥1流回油箱。
4、用手動卸壓換向閥(專用)卸壓
如圖4(a)所示,手動卸壓換向閥由3部分組成:左端是大口徑的單向閥,起充液閥的作用;中部是起換向作用的換向閥,右端是使泵卸荷的換向閥,油口接泵。

當手柄在中間位置時[見圖4(b)],油缸兩腔封閉。通路5和6接通,油泵卸荷。當手柄向左移動時,滑閥右移,通路5和6斷開,油泵工作,壓力油經通道7由通路2排出,活塞下降。當工作結束手動手柄換向,滑閥向左移動時,由于在油缸壓力作用下單向閥緊閉,所以當滑閥的頂端9碰到單向閥的閥柄時便停止了。這時通路2與滑閥中的小孔8接通,而使油缸通過通路2、7、8、4卸壓。卸壓速度由小孔 8的大小來決定。這時通路5和6接通,油泵卸荷。只有當油缸充分卸壓后,滑閥才能繼續向左移動并打開單向閥,通路2和4接通,同時通路1和3接通,而通路5和6又斷開,這才開始回程,不會出現“炮鳴”現象。
5、閉武回路程中用卸壓換向閥卸壓(見圖5)

當活塞加壓下降時,a為壓力側,b為吸油側,故下滑閥開啟,而上滑閥關閉。卸壓閥不起作用。工作完畢泵換向,b轉為壓力側,液壓力克服了滑閥的彈簧力將它移到左端,各通路接通。于是缸上腔通過a、1、4和節流閥7卸壓,同時泵的吸油也幫助卸壓。卸壓速度由節流閥7來調節。這時,泵的供油通過h、2、3、5和6排回油箱而卸荷,僅保持低壓以平衡上滑閥的彈簧力。當上腔壓力低于下滑閥彈簧力時,下滑閥逐漸關閉,關閉速度可通過節流閥8來調節,以保證充分卸壓。下滑閥的關閉切斷了油泵的卸荷通路,缸下腔壓力上升,活塞回程上升。
6、采用電磁換向閥K型閥芯機能泄壓(見圖6)

如圖6所示,當1YA通電時,壓力油經三位四通電液動換向閥1進^主缸上腔進行擠壓,當壓力上升到預定壓力時,電接點壓力表2發信號,通過時間繼電器延時保壓。保壓結束后,1YA斷電,閥1在其所帶阻尼器的控制下延時切換到中位,高壓油也就隨著K型閥芯的移動,由小到大將開口量逐步釋放,閥芯移到完全中位時,高壓油的能量已大部分釋放,這樣,“炮鳴”就大大減少了。為保證可靠換向,在圖中a處應加背壓閥。





50T-07-FR大軸22.2,50T-07-FR小軸19.05,50T-12-FR大軸22.2,50T-12-FR小軸19.05
50T-14-FR大軸22.2,50T-14-FR小軸19.05,50T-17-FR大軸22.2,50T-17-FR小軸19.05
50T-20-FR大軸22.2,50T-20-FR小軸19.05,50T-23-FR大軸22.2,50T-23-FR小軸19.05
50T-26-FR大軸22.2,50T-26-FR小軸19.05,50T-30-FR大軸22.2,50T-30-FR小軸19.05
50T-36-FR大軸22.2,50T-36-FR小軸19.05,50T-39-FR大軸22.2,50T-39-FR小軸19.05
50T-43-FR大軸22.2,50T-43-FR小軸19.05
A100-FR04HBS/FR04HAS-A-60399/60366,A100-FR04HS-60,
A145-FR04HBS/FR04HAS-A-60366,A145-FR04HS-60
A16-F-R-01-B-K-32,A16-F-R-01-C/H/B-K-32,A16-F-R-01-C-K-32,A16-F-R-01-H-K-32
A22-F-R-01-B-K-32,A22-F-R-01-C-K-32,A22-F-R-01-H/B-K-32,A22-F-R-01-H-K-32
A37-F-R-01-B/C-K-32,A37-F-R-01-B-K-32,A37-F-R-01-C/H-K-32,A37-F-R-01-C-K-32
A37-F-R-01-H-K-32,A37-F-R-04-H-K-32393
A3H100-F(L)-R(L),A3H145-F(L)-R(L),A3H16-F(L)-R(L),A3H180-F(L)-R(L),A3H37-F(L)-R(L)
A3H56-F(L)-R(L),A3H71-F(L)-R(L)
A3HG100-F(L)-R(L),A3HG145-F(L)-R(L),A3HG16-F(L)-R(L),A3HG180-F(L)-R(L),A3HG37-F(L)-R(L)
A3HG56-F(L)-R(L),A3HG71-F(L)-R(L)
A45-F-R-04-H-K-32393,A56/A45/A37,A56-F-R-04-H-K-32393,A70-FR04HBS-A,A70-FR04HS-60
A70-FRO4HAS-A,A90-FR04HBS/FR04HAS-A-60366,A90-FR04HS-60
AR16-FR01B-20,AR16-FR01B-22,AR16-FR01BS-22,AR16-FR01C-20,AR16-FR01C-22
AR16-FR01CS-22,AR16-FRO1BS-2223
AR22-FR01B-20,AR22-FR01B-22,AR22-FR01BS-22,AR22-FR01C-20,AR22-FR01C-22,AR22-FR01CS-22
ARL1-12-FR01A-10,ARL1-12-FR01S-10,ARL1-16-FR01A-10,ARL1-16-FR01S-10,ARL1-6-FR01A-10
ARL1-6-FR01S-10,ARL1-8-FR01A-10,ARL1-8-FR01S-10
PV2R11/R12/R13/R14
PV2R1-10-F-RAA-43,PV2R1-12-F-RAA-43,PV2R1-14-F-RAA-43,PV2R1-17-F-RAA-43,PV2R1-19-F-RAA-43
PV2R12-10-26-F-REAA-42,PV2R12-10-41-F-REAA-42,PV2R12-10-47-F-REAA-42
PV2R12-10-53-F-REAA-42,PV2R12-10-59-F-REAA-42,PV2R12-10-65-F-REAA-42,PV2R12-10-75-F-REAA-42
PV2R12-14-33-F-REAA-4326,PV2R12-14-33-F-REAR-43,PV2R12-25-33,PV2R12-25-41,PV2R12-25-47
PV2R12-25-53,PV2R12-25-59,PV2R12-25-65,PV2R12-25-75,PV2R12-28-33,PV2R12-28-41,PV2R12-28-47
PV2R12-28-53,PV2R12-28-59,PV2R12-28-65,PV2R12-28-75,PV2R1-23-F-RAA-43,PV2R1-25-F-RAA-43
PV2R12-6-26-F-REAA-42,PV2R12-6-33-F-REAA-42,PV2R12-6-41-F-REAA-42,PV2R12-6-47-F-REAA-42
PV2R12-6-53-F-REAA-42,PV2R12-6-59-F-REAA-42,PV2R12-6-65-F-REAA-42,PV2R12-6-75-F-REAA-42
PV2R12-8-26-F-REAA-42,PV2R12-8-41-F-REAA-42,PV2R12-8-53-F-REAA-42,PV2R12-8-59-F-REAA-42
PV2R12-8-65-F-REAA-42,PV2R12-8-75-F-REAA-42,PV2R1-28-F-RAA-43
PV2R13-10-76-L-LRAL-43,PV2R13-10-76-L-RAAA-40,PV2R13-12-76-L-RAAA-40
PV2R13-14-76-L-RAAA-40,PV2R13-17-76-L-RAAA-40,PV2R13-19-76-L-RAAA-40
PV2R1-31-F-RAA-43
PV2R13-23-76-L-RAAA-40,PV2R13-25-76-L-RAAA-40,PV2R13-31-76-L-RAAA-40
PV2R13-6-76-L-RAAA-40,PV2R13-8-76-L-RAAA-40
PV2R1-6-F-RAA-43,PV2R1-8-F-RAA-43
PV2R2-26-F-R,PV2R23/R24/R33/R34,PV2R2-33-F-R
PV2R23-47-94-F-REAA-41,PV2R23-53/66-F-REAA-41
PV2R2-41-F-R,PV2R2-47-F-R,PV2R2-53-F-R,PV2R2-59-F-R,PV2R2-65-F-R,PV2R2-75-F-R
PV2R34-116-237-F-REAA-31,PV2R34-116-237-F-RGAL-31,PV2R34-116-237-F-RHAR-31
PV2R34-52-184-F-RAAA-31
PV2R3-94-F-RAAA
PV2R4-200-F-RAA-30,PV2R4-200-F-RAB-30,PV2R4-200-F-RAL-30,PV2R4-200-F-RAR-30
PV2R4-237-F-RAB-30,PV2R4-237-F-RAL-30,PV2R4-237-F-RAR-30
PVR50FF-13-RAA-31,PVR50FF-20-RAA-31,PVR50FF-23-RAA-31,PVR50FF-26-RAA-31
PVR50FF-30-RAA-31,PVR50FF-36-RAA-31,PVR50FF-39-RAA-31
S-PV2R2/R3/R4/R12/R34,S-PV2R2-53-F-RAA-45
SVPF-12-20-20,SVPF-12-35-20,SVPF-12-55-20,SVPF-12-70-20
SVPF-15-20-20,SVPF-15-35-20,SVPF-15-55-20,SVPF-15-70-20
SVPF-20-20-20,SVPF-20-35-20,SVPF-20-55-20,SVPF-20-70-20
SVPF-30-20-20,SVPF-30-35-20,SVPF-30-55-20,SVPF-30-70-20
SVPF-40-20-20,SVPF-40-35-20,SVPF-40-55-20,SVPF-40-70-20
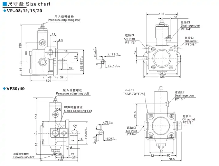
VP-08-FA3,VP-12-FA3,VP-15-FA3,VP-15-FA3(花鍵7齒),VP-15-FA3(花鍵9齒)
VP-20-FA3,VP-20-FA3(花鍵7齒),VP-20-FA3(花鍵9齒),VP-30-FA3
VP-30-FA3(花鍵9齒),VP-40-FA3,VP-40-FA3(花鍵9齒)
VPSM-PSFO-16AR-20,VPSM-PSFO-9BR-20
DG-01 DG-02 DT-01 DT-02 BG-03 BG-06 BG-10
BT-04 BT-06 BT-10
BG/BT-03/06/10 BT-03 BT-04 BT-06 BT-10
BSG-03/06/10 BSG-2P/BST-2P-03/06/10
BSG-03 BSG-06 BSG-10 BSG-03-*-2P BSG-06-*-2P
SBG-03 SBG-06 SBSG-03 SBSG-06 SBSG-10 SBG-03/06/10 SBSG-03/06/10
SBG-03-B SBG-03-C SBG-03-H SBG-03-2H SBG-06-B SBG-06-C SBG-06-H SBG-06-2H SBG-06-H-K05
BST-03-2PN-B BST-03-2PN-C BST-03-2PN-H BST-03-2PN-2H BST-06-2PN-B BST-06-2PN-C
BST-06-2PN-H BST-06-2PN-2H BST-10-2PN-B BST-10-2PN-C BST-10-2PN-H BST-10-2PN-2H
H型壓力控制閥、HC型壓力控制閥
HG-03 HG-06 HG-10 HCG-03 HCG-06 HCG-10 HCT-06
HG/HT-03/06/10
減壓閥、單向減壓閥
RG-03 RG-06
RT-03 RT-03/04/06/10
RCT-03 RCT-03 RCT-06 RCT-10 RCT-03/06/10
RCG-03/06/10 RCG-03 RCG-06 RG-03/06/10
液控單向閥
CPDG-03 CPDG-06 CPDG-10
CPDT-03 CPDT-06 CPDT-10
CPDF-10 CPDF-16
電液換向閥
DSHG-04 DSHG-04-AB DSHG-06
DSHG-06-AB
DSHG-10 DSHG-10-AB
DSHG-2B*-03/04/06/10 DSHG-3C*-03/04/06/10
順序閥
HCG-03 HCG-06 HCG-10
HCG-03/06/10
HCT-03/04/06/10
DSG-01-2B2-D24,DSG-01-2D2-D24,DSG-01-3C2-A220-DL,DSG-01-3C2-A220-LW,
DSG-01-3C2-D24-DL,DSG-01-3C2-D24-LW,DSG-01-3C3-A220-DL,DSG-01-3C3-A220-LW,
DSG-01-3C3-D24-DL,DSG-01-3C3-D24-LW,DSG-01-3C4-A220-DL,DSG-01-3C4-A220-LW,
DSG-01-3C4-D24-DL,DSG-01-3C4-D24-LW,DSG-01-3C5-D24-DL,DSG-01-3C5-D24-LW,
DSG-01-3C6-A220-DL,DSG-01-3C6-A220-LW,DSG-01-3C6-D24-DL,DSG-01-3C6-D24-LW,
DSG-02-2B2-DL,DSG-02-2B2-DL-AC24,DSG-02-3C2-D24-DL,DSG-02-3C2-DL,DSG-02-3C3-DL,
DSG-02-3C4-DL,DSG-02-3C60-DL,DSG-02-3C60-DL-R220,DSG-03-2B2-DL,DSG-03-2B2-DL-A220,
DSG-03-2B2-DL-A220V,DSG-03-2B2-DL-D24,DSG-03-2B2-DL-D24V,DSG-03-2B2-LW-A220,
DSG-03-2B2-LW-D24,DSG-03-2B3-DL-A220,DSG-03-2B3-DL-D24,DSG-03-2B3-LW-A220,
DSG-03-2B3-LW-D24,DSG-03-2D2-DL-A220,DSG-03-2D2-DL-D24,DSG-03-2D2-LW-A220,
DSG-03-2D2-LW-D24,DSG-03-3C2-D24,DSG-03-3C2-DL,DSG-03-3C2-DL-A220,
DSG-03-3C2-DL-A220V,DSG-03-3C2-DL-D24,DSG-03-3C2-DL-D24V,DSG-03-3C2-LW-A220,
DSG-03-3C2-LW-D24,DSG-03-3C3-DL,DSG-03-3C3-DL-A220V,DSG-03-3C3-DL-D24V,
DSG-03-3C4-D24,DSG-03-3C4-DL,DSG-03-3C4-DL-A220,DSG-03-3C4-DL-A220V,
DSG-03-3C4-DL-D24,DSG-03-3C4-DL-D24V,DSG-03-3C4-LW-A220,DSG-03-3C4-LW-D24,
DSG-03-3C5-DL-A220V,DSG-03-3C5-DL-D24V,DSG-03-3C60-DL,DSG-03-3C60-DL-A220V,
DSG-03-3C60-DL-D24V,DSG-03-3C6-DL-A220,DSG-03-3C6-DL-A220V,DSG-03-3C6-DL-D24,
DSG-03-3C6-DL-D24V,DSG-03-3C6-LW-A220,DSG-03-3C6-LW-D24,DSG-G03-2B2-DL-AC220V,
DSG-G03-2B2-DL-DC24V,DSG-G03-2B3-DL-AC220V,DSG-G03-2B3-DL-DC24V,
DSG-G03-2B60-DL-AC220V,DSG-G03-2B60-DL-DC24V,DSG-G03-2B8-DL-AC220V,
DSG-G03-2B8-DL-DC24V,DSG-G03-3C2-DL-AC220V,DSG-G03-3C2-DL-DC24V,
DSG-G03-3C3-DL-AC220V,DSG-G03-3C3-DL-DC24V,DSG-G03-3C4-DL-AC220V,
DSG-G03-3C4-DL-DC24V,DSG-G03-3C60-DL-AC220V,DSG-G03-3C60-DL-DC24V
SW-G02-04-A220-50
MSA-01-X-50,MSA-01-Y-50,MSA-02-X-50,MSA-02-Y-50,MSA-03-X-50,MSA-03-Y-50,
MSA-04-X-50,MSA-06-X-50,
MSB-01-X-50,MSB-02-X-50,MSB-03-X-50,MSB-04-X-50,MSB-06-X-50,
MSW-01-X-50,MSW-01-Y-50,MSW-02-X-50,MSW-02-Y-50,MSW-03-X-50,MSW-03-Y-50,
MSW-04-X-50,MSW-06-X-50
★★★▼疊加式減壓閥▼★★★
MRA-01-C-30,MRA-01-H-30,MRA-03-C-30,MRA-03-H-30,MRA-04-C-10,MRA-04-H-10,
MRA-06-C-30,MRA-06-H-30,
MRB-01-C-30,MRB-01-H-30,MRB-03-C-30,MRB-03-H-30,MRB-04-C-10,MRB-04-H-10,
MRB-06-C-30,MRB-06-H-30,
MRP-01-C-30,MRP-01-H-30,MRP-03-C-30,MRP-03-H-30,MRP-04-C-10,MRP-04-H-10,
MRP-06-C-30,MRP-06-H-30
★★★▼疊加式液控單向閥▼★★★
MPA-01-2-40,MPA-01-4-40,MPA-03-2-20,MPA-03-4-20,MPA-04-2-10Y,MPA-04-4-10Y,
MPA-06-2-30,MPA-06-4-30,
MPB-01-2-40,MPB-01-4-40,MPB-03-2-20,MPB-03-4-20,MPB-04-2-10Y,MPB-04-4-10Y,
MPB-06-2-30,MPB-06-4-30,
MPW-01-2-40,MPW-01-4-40,MPW-03-2-20,MPW-03-4-20,MPW-04-2-10Y,MPW-04-4-10Y,
MPW-06-2-30,MPW-06-4-30
★★★▼疊加式溢流閥▼★★★
MBA-01-C-30,MBA-01-H-30,MBA-03-C-30,MBA-03-H-30,MBB-01-C-30,MBB-01-H-30,MBB-03-C-30,
MBB-03-H-30,MBP-01-C-30,MBP-01-H-30,MBP-03-C-30,MBP-03-H-30,MBW-01-H-30,MBW-03-C-30,
MBW-03-H-30
本文由蘇州逐利機電整理發布,如需轉載請瀏覽來源及出處,原文地址:http://m.damingxing.cn/yyyb/320.html






留言信息