VICKERS 威格士 25V-12A/14A/17A/21A-1A/1B/1C/1D-22R 葉片泵

液壓系統中密封圈的使用問題
密封圈是液壓系統防漏的關鍵零件,若密封圈的材質、形狀選用不當,密封圈損壞或老化,就會失去密封作用而洩露,在使用和保存中要注意以下問題:
①橡膠圈在保存時要避免陽光直射、受熱、受潮,不得接觸酸堿類等有損橡膠的物質。保存室的溫度在-15~35攝氏度之間。存期不宜超過一年半。
②密封圈要定期更換,用過的密封圈不宜再用。
③密封圈的材料、形狀與性能的關系
④密封圈的工作溫度要在密封材料容許的范圍內。
靜密封的洩露控制
1、固定結合面洩露控制
1)固定結合面洩露控制原理
①被密封液體在無壓力的情況下,加在兩固定面上的力F必須大于最小密封壓力的合力。
②被密封液體在有壓力情況下,保證密封的最小密封壓力不僅要使密封變形填充固定體表面的缺陷,而且還要抵抗液體壓力及液體從接觸面之間擠出。此時的最小密封壓力應該與液體壓力P成正比。液體壓力作用在法蘭蓋上的力將使法蘭接合面分離,從而減小了實際的密封壓力,。因此,加在兩結合面上的緊固力F“除了抵消液體壓力的作用力外,還必須保證最小的密封壓力”。
在工程應用中,為避免由于液體壓力而使螺栓繼續伸長,可將密封圈(墊)裝在密封槽內或帶有止口的表面上。
2)固定結合面的防漏措施
固定接合面有兩種基本形式
①法蘭類接合面,如法蘭接頭,闆式連接元件的孔口等。
②非法蘭類接合面,常用標準密封圈密封,其中o形密封圈用的最普遍。非法蘭類平之接合面的特點是口孔以矩形較多,也有許多不規則的孔口,常用密封墊、特種形狀密封圈和密封膠等進行防漏。








20V系列
20V11A-1A22L 20V11A-1A22R 20V11A-1B22R 20V11A-1C22R 20V11A-1D22R
20V12A-1A22R 20V12A-1D22R 20V5A-1C22R 20V5A-1D22R 20V8A-151C22R
20V8A-1A22R 20V8A-1C22L 20V8A-1C22R 20V8A-1D22R
20VQ系列
20VQ5A-1C30
2520系列
2520V14A11-1CC22 2520V17A11 1DD22R 2520V17A11 86DD22R
2520V17A11-1CC22R 2520V17A11-1DD22R 2520V17A11-86DD22R
2520V17A14 1AA22R 2520V17A14 1CB22R 2520V17A14 1CC22R
2520V17A14-1AA22R 2520V17A14-1CB22R 2520V17A14-1CC22R
2520V17A5 1AB22R 2520V17A5 1BB22R 2520V17A5 1CC22R
2520V17A5 1DD22R 2520V17A5-1AA-22R 2520V17A5-1AB22R
2520V17A5-1BB22R 2520V17A5-1CC22R 2520V17A5-1DD22R
2520V17A8 1AA22R 2520V17A8 1BB22R 2520V17A8 1CB22R
2520V17A8 1CC22L 2520V17A8 1CC22R 2520V17A8-1AA22R 2520V17A8-1BB22R
2520V17A8-1CB22R 2520V17A8-1CC22L 2520V17A8-1CC22R
2520V21A11-1AA22R 2520V21A11-1AB22R 2520V21A11-1BB22R
2520V21A11-1CC22R 2520V21A11-1DA22R 2520V21A12-1AA22R
2520V21A12-1BB22R 2520V21A12-1CB22R 2520V21A12-1CC22R
2520V21A12-1DD22R 2520V21A14-1AA22R 2520V21A14-1AB22R
2520V21A14-1AC22R 2520V21A14-1AD22R 2520V21A14-1CB22R
2520V21A14-1DD22R 2520V21A2 1AA22R 2520V21A2 1CC22R
2520V21A2-1AA22R 2520V21A2-1CC22R 2520V21A5 1AA22R
2520V21A5 1CC22R 2520V21A5-1AA22R 2520V21A5-1CC22R
2520V21A5-1DD22R 2520V21A8-1AA22R 2520V21A8-1BB22R
2520V21A8-1CC22R 2520V21A8-1DD22R
2520VQ系列
2520VQH17A12-1DD20R
2525V系列
2525V21A17-86DA22R
25V系列
25V10A-1A22R 25V10A-1C22R 25V12A-11A22R 25V12A-1B22R 25V12A-1C22R
25V12A-1C-22R 25V12A-1D22R 25V14A-1A-22R 25V17A-1A-22R 25V21A-1A-22R
25V21A-1B-22R 25V21A-1C-22R
3520V系列
3520V25A11-1BB22R 3520V25A11-86AB22R 3520V25A12-1AA22R
3520V25A12-1CC22R 3520V25A12-1DD22R 3520V25A5-1AA22R
3520V25A5-1CC22R 3520V25A8-86CB22R 3520V3***14-1AA22R
3520V30A14-1CC22R 3520V30A2-1CC22R 3520V30A5-1DB22R
3520V30A5-1DC22R
3525V系列
3525V30A21-1CC22R 3525V38A14-1CC22R
35V系列
35V-25A-1A-22R 35V-25A-1B-22R 35V-25A-1C-22R 35V-25A-1D-22R
35V-30A 1D-22R 35V-30A-1A-22R 35V-30A-1B-22L 35V-30A-1B-22R
35V-30A-1C-22R 35V-30A-86A-22R 35V-35A-1B-22R 35V-35A-1C-22R
35V-35A-1D-22R 35V-38A-1A22L 35V-38A-1A-22R 35V-38A-1B-22R
35V-38A-1C-22R 35V-38A-1D-22R 35V60A25-1AA-22R
35VQ系列
35VQ-35A-1C2045
4520V系列
4520V60A11-1CC22R
4525V系列
4525V42A21-1CC22R 4525V50A21-1AA22R 4525V60A12-1AA-22R
4525V60A12-1CC-22R 4525V60A14-1CC22R 4525V60A21-1AA22R
4525V60A21-1CC22R
4535V系列
4535V42A30-1BB22R 4535V42A30-1DD22R 4535V42A35-1CC22R
4535V60A25-1AA-22R 4535V60A25-1CC-22R 4535V60A38-1CC22R
45V系列
45V42A-1C22R 45V50A-1B22R 45V50A-1C22R 45V60A-1A22R
45V60A-1C22R PVB10RS40C11
PVB系列
PVB15RS40C11 PVB20RS40C11 PVB29RS40C11 PVB29-RS41-C12 PVB45RS40C11
PVB45-RS41-C12 PVB5-RS40-C11 PVB6RS40C11
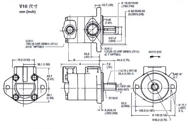
VICKERS柱塞泵、VICKERS葉片泵、VICKERS電磁閥、VICKERS油泵、VICKERS變量泵、VICKERS液壓馬達、VICKERS方向閥、VICKERS壓力閥、VICKERS流量閥、VICKERS比例閥、VICKERS定量泵、VICKERS馬達等。 VICKERS系列 葉片泵有V系列、V(Q)系列、 威格士柱塞泵系列 威格士PVQ系列:PVQ5、PVQ10、PVQ13、PVQ20、PVQ25、PVQ29、PVQ45、PVQ32-B2R-SE1S , PVQ32-B2R-SS1S PVB系列:PVB5、PVB10、PVB15、PVB20、PVB25、PVB29、PVB45 軸向柱塞泵:PVB5/6、PVB10/15、PVB20/29、PVB45、PVB90;PVB20-F-MRSFXN PV柱塞泵:PV066、PV090、PV130、PV180、PV250; PVH柱塞泵:PVH57QIC,PVH63QIC,PVH74QIC,PVH81QIC,PVH98QIC,PVH106QIC,PVH131QIC PVH141QIC,PVH074R13 PVM柱塞泵:PVM018/020、PVM045/050、PVM057/063、PVM131/14等 威格士泵芯:60S、57S、50S、47S、45S、42S、38S、35S、30S、25S、21S、17S、14S、12S、11S、9S、8S、5S 威格士葉片泵 系列(Q)V10、V20 、20V、25V、35V、45V。 威格士雙聯葉片泵:2520V、3520V、3525V、4520V、4525V、4535V
本文由蘇州逐利機電整理發布,如需轉載請瀏覽來源及出處,原文地址:http://m.damingxing.cn/yyyb/30.html






留言信息