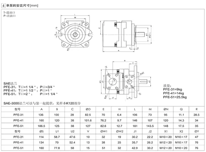
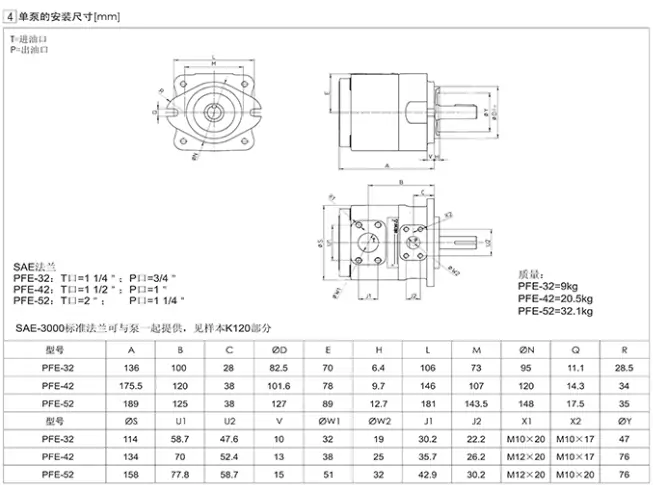
阿托斯液壓油泵PFE-31028/1DT意大利ATOS葉片泵PFE-31022/1DU
液壓系統單向節流閥的結構及工作原理
單向節流閥由單向閥和節流閥并聯而成,用于一個方向需要控制流量而另一個方向(反向)需要油流暢通的回路中,以實現執行元件正向可調速,而反向能快速退回。
圖1所示爲滑閥壓差式單向節流閥。當油液從P1流向P2時,閥起節流閥作用,反向時起單向閥作用。閥芯4下端和上端分別受進、出油腔壓力油的作用,在進出油腔壓差和複位彈簧6的作用下,閥芯緊壓在調節螺釘2上,以保持原來調節好的節流口開度。

圖2所示爲可以直接安裝在管路上的單向節流閥。節流口爲軸向三角槽式結構,旋轉調節套3,可以改變節流口通流面積的大小,實現流量調節。正向流動時(B→A)起節流閥作用;反向流動時(A→B)起單向閥作用,由于有部分油液可在環形縫隙中流動,可以清除節流口上的沉積物。閥芯左端有刻度槽,調節套上有刻度圈,以標志調節流量的大小。該閥流量調節須在無壓力下進行。博士力樂士系列的MK型單向節流閥即爲此結構。

單向節流閥在結構上有兩種,一種是單向閥和節流閥共用一個閥芯,另一種是單向閥和節流閥兩個閥芯是分開的。如:中低壓單向節流閥(LI型),節流閥與單向閥共用一個閥芯,中高壓單向節流閥(LDF型)兩個閥芯是分開的,它們的壓力流量系列均同節流閥。它們的結構見圖3~圖5所示。








PFE 31028/ 5DW
PFE-31016/1DT 20 PFE-31016/1DU
PFE-31022/1DT 20 PFE-31022-1DU
PFE-31028/ 1DT PFE-31028/1DT 20
PFE-31036/1DT PFE-31036/1DT 20
PFE-31044/1DT 20 PFE-31044/5DT PFE-31044-1DT
PFE-32036/3DT 20 PFE-32036/3DU 20
PFE-41029/1DT
PFE-41045/1DT 20
PFE-41070-10V
PFE-41085/10D PFE-41085/1DT 20
PFE-42045/3DW 20
PFE-42056/3DT PFE-42056/3DT 20
PFE-51090/1DT PFE-51090-1DT
PFE-51150/1DT 20
PFED 54110/045/1 DVO
PFED-43045/016/1DTA PFED-43045/028-1DT0 PFED-43045/044/1DTO
PFED-43070/028/1DWB20 PFED-43070/044/1DV0 20
PFED-43085/016 PFED-43085/016/1DVO 20 PFED-43085/022 PFED-43085/028 PFED-43085/036
PFED-43085/044 PFED-43085/044/1DUO 20
PFED-54110/037/1DTO
本文由蘇州逐利機電整理發布,如需轉載請瀏覽來源及出處,原文地址:http://m.damingxing.cn/yyyb/204.html






留言信息